Plateaux à boulonner
Caractéristiques

- Conçus pour être utilisés avec les moyeux amovibles CMW,
- Disposent d'un impact de fixation pour moyeux amovible,
- Conçus pour fixer des moyeux dans des rotors de ventilateurs, des tambours, rouleaux, disques, poulies, etc...
- Le positionnement se fait aisément grâce au diamètre de centrage et à l'épaulement.
- Les plateaux à boulonner sont en fonte G3000.
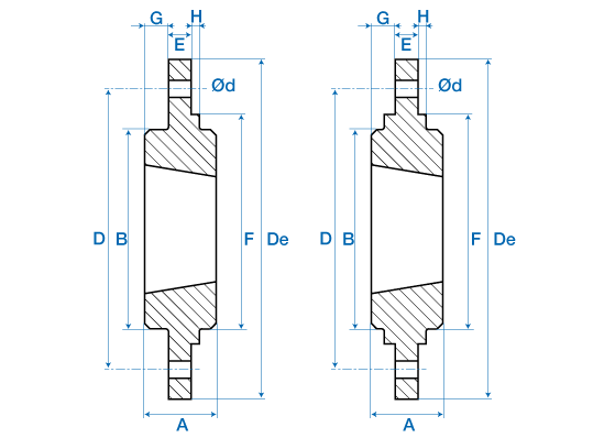
Explication de la référence : PB2012M
PB : Plateau à boulonner
2012 : Type du moyeu
_ : Trous lisses / M : Trous taraudés
Dimensions

| Code | Moyeu | E | De | F | D | A | B | G | H | d | Masse |
|---|---|---|---|---|---|---|---|---|---|---|---|
| PB1210 | 1210 | 6,35 | 120 | 80 | 100 | 25,4 | 75 | 9 | 2,5 | 6x7,5 | 0,89 |
| PB1210M | 1210 | 9,00 | 120 | 80 | 100 | 25 | 75 | 10 | 2,5 | 6xM6 | 0,89 |
| PB1610 | 1610 | 7,00 | 130 | 90 | 110 | 25,4 | 85 | 9 | 2,5 | 6x7,5 | 1,06 |
| PB1610M | 1610 | 9,00 | 130 | 90 | 110 | 25 | 85 | 10 | 2,5 | 6xM6 | 1,06 |
| PB12012 | 2012 | 8,00 | 145 | 115 | 125 | 31,8 | 110 | 12 | 2,5 | 6x9,5 | 1,88 |
| PB2012M | 2012 | 11,0 | 145 | 115 | 125 | 32 | 110 | 13 | 2,5 | 6xM8 | 1,88 |
| PB2512 | 2512 | 9,53 | 185 | 130 | 155 | 44,5 | 125 | 18 | 2,5 | 8x11,5 | 3,60 |
| PB2512M | 2512 | 14,0 | 185 | 130 | 155 | 45 | 125 | 20 | 2,5 | 6xM10 | 3,60 |
| PB3020 | 3020 | 12,70 | 220 | 165 | 190 | 50,8 | 160 | 19 | 2,5 | 8x13,5 | 5,85 |
| PB3020M | 3020 | 14 | 220 | 165 | 190 | 50 | 160 | 20 | 2,5 | 6xM12 | 5,85 |
Instructions de montage des plateaux à boulonner

texte à écrire